
发卖:19224886408
发卖:17346546283
手艺人:18611287598
传真号码:010-68465926
Q Q:3226344213
企业邮箱:info@xiangcunart.cn
在什么地方:南京市海淀区大慧寺2号北区20号楼一二层105室

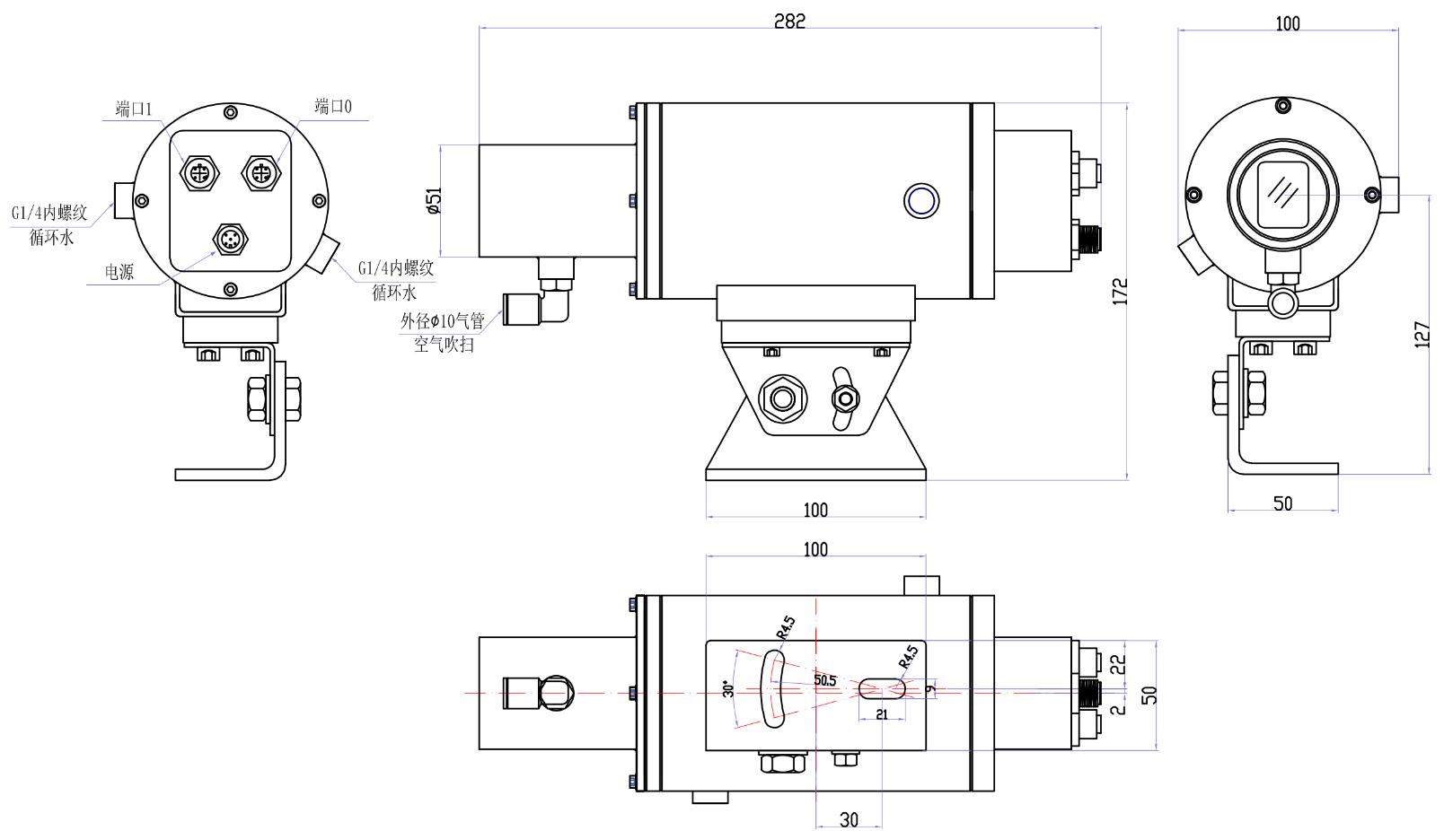
HMLDM-DM20HT-PN2型低温激光测距仪
时候:2025-11-22 06:40

一、概述:
HMLDM-DM20HT-PN2型温度过低皮秒激光测距仪专门用在温度过低粉状、固态的道德水准、外形尺寸、程度的仗量。沿途全过程profinet微波通信体例将的数据传送数据至高无上位心肌细胞系。● 丈量低温物体,能𒅌(neng)坚持很(hen)高(gao)的丈量精度(du)和靠得(de)住性
● 丈(zhang)量(liang)精度<±1mm,分辩率0.1mm
● 利用白色可见激光束(shu),丈量规模(mo)可达30米
● 规范的profinet接口,矫捷靠得住
● 不锈钢外壳,可(ke)通水、气停止冷却
二、手艺数据:
三、形状尺寸:
四、可选附件:
下一篇:不了 上一篇:低温激光测距仪



